瀏覽:-
工業和信息化部辦公廳關于印發工業領域碳達峰碳中和標準體系建設指南的通知
工信廳科〔2024〕7號
各省、自治區、直轄市工業和信息化主管部門,有關行業協會、標準化技術組織和專業機構:
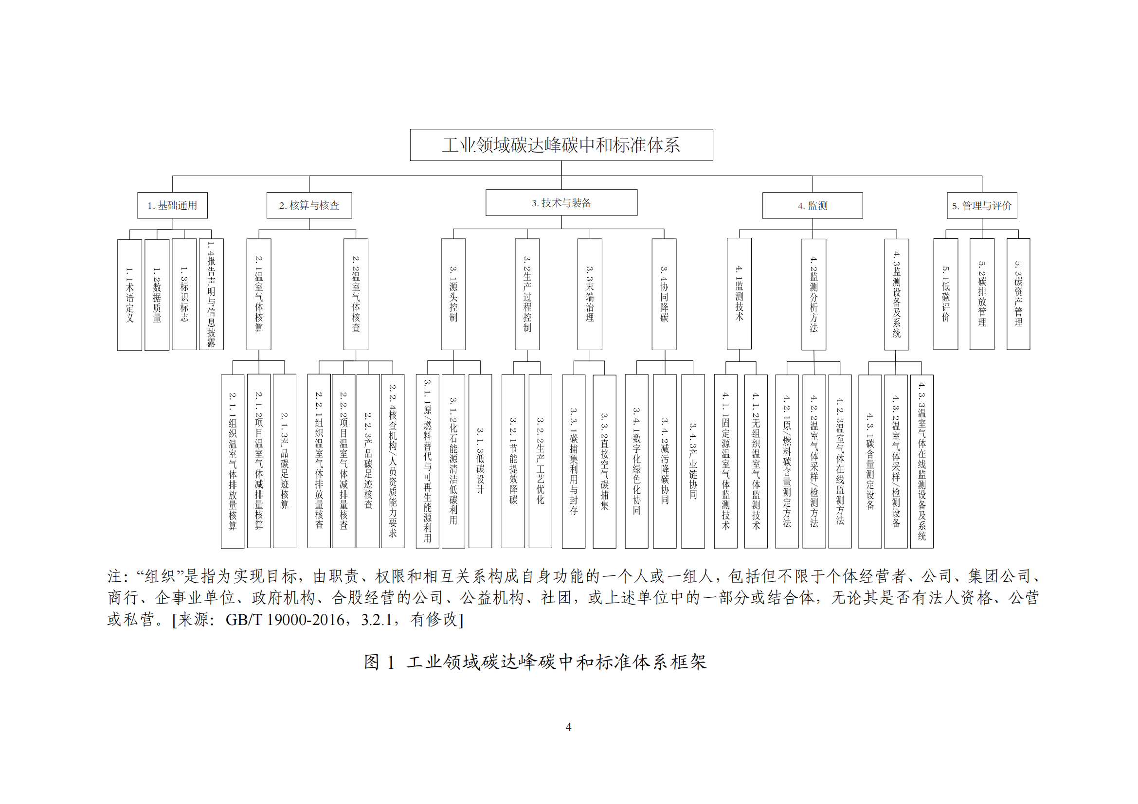
為切實發揮標準對工業領域碳達峰碳中和的支撐和引領作用,工業和信息化部依據《新產業標準化領航工程實施方案(2023-2035年)》《工業領域碳達峰實施方案》《建立健全碳達峰碳中和標準計量體系實施方案》等,組織編制了《工業領域碳達峰碳中和標準體系建設指南》。現印發給你們,請結合本地區、本行業、本領域實際,在標準化工作中貫徹執行。
工業和信息化部辦公廳
2024年2月4日
來源:工業和信息化部
©內容版權歸原創作者所有。圖文如有侵權,請留言后臺處理。
聲明:凡注明“來源:XXX”的文章,均轉載自其它媒體,轉載的目的在傳遞更多信息,并不代表本公司贊同其觀點和對其真實性負責。其它媒體、網站或個人轉載使用時必須保留本平臺注明的文章來源,并自負法律責任。
